
Електрочисник Torgrids 1020.10A/3T+ 3х100 В, 5-10 А, A+R+, Р, М, нітарифн., RS-485, ЖИКИ, 3х-пр. вмик.
- Немає в наявності
- Оптом і в роздріб
3 050 ₴
Показати оптові ціни- +380 (93) 811-53-94роздріб
- +380 (98) 507-08-00роздріб
- +380 (93) 507-08-00опт
- +380 (66) 640-50-32опт, только Viber
Електрочисник трифазний однотарифний трансформаторний Torgrids 1020.10A/3T+ 3х100 В, 5 (10) А, активно-реактивної енергії 1,0/2,0, індикатори радіополей Р ( електромагнітних) і М (магнітних), RS-485, ЖКИ, прямого 4х-дротового увімкнення, IP54, українського виробництва призначений для вимірювання активної електроенергії в трифазних трипровідних ланцюгів змінного струму частотою 50 Гц на підприємствах і в побутових споживачів, зокрема в складі автоматизованих систем контролю й обліку електроенергії.
Електрообчисник Torgrids 1020.10A/3T+ занесений до державного реєстру засобів вимірювальної техніки України під номером У3649-15.
Технічні особливості електрообчислика Torgrids 1020.10A/3T+:
Клас точності за ГОСТ 30207 і ДСТУ IEC 61036:2001 — 1,0/2,0;
Ступінь захисту — IP54;
Номінальна напруга змінного струму — 3×100 В;
Кількість розрядів лічильника — 6+2;
Номінальна сила струму — 5 А;
Максимальна сила струму — 10 А;
Номінальна частота мережі — 50 ± 2,5 Гц;
Сила тока запуска - 10-15 мА;
Постійна лічильника — 2000 імп/кВт •год;
Тип підключення — трансформаторний;
Кількість тарифів — 1;
Гранічний діапазон температури — від -40 °C до +70 °C;
Маса лічильника не більш ніж 2,0 кг;
Габаритні розміри, не більш ніж - 230×180×68 мм;
Міжповерковий інтервал під час експлуатації — 6 років;
Середній термін експлуатації, не менш ніж - 30 років;
Гарантійний термін — 5 років
Лічильники Torgrids 1020.10A/3T+ мають світлову індикацію напруги та роботи лічильника, індикацію про неправильне під'єднання лічильника, про порушення в мережі напруги в споживача (качка струму в обладнанні на землю або спроба крадіжки електроенергії), немає навантаження.
Основні переваги електрочисників Torgrids 1020.10A/3T+:
- підвищений ступінь захисту від впливу постійних і змінних магнітних полів;
- мале власне енергоспоживання;
- прозорий корпус і клемна кришка;
- індикатор "Напруга відсутня";
- додатковий вимірювальний елемент у нейтралі, який дає змогу виявити струми дисбалансу;
- РК-дисплей із підсвіткою;
- індикатор магнітного поля;
- захист від крадіжки енергії: індикація неправильного під'єднання і зворотного напрямку струму;
- модуль інтерфейсу RS-485.
Електрообчисник Torgrids 1020.10A/3T+ має монтуватися на щиті або стіні відповідно до вимог "Правил пристрою електропристроїв". Лічильник кріпиться до поверхні трьома шурупами або гвинтами. Конструкція лічильника передбачає його кріплення на DIN-рейку за допомогою деталей кріплення корпусу, які є частиною конструкції цоколя лічильника.
Габаритні та установлювальні розміри електрочика Torgrids 1020.10A/3T+:

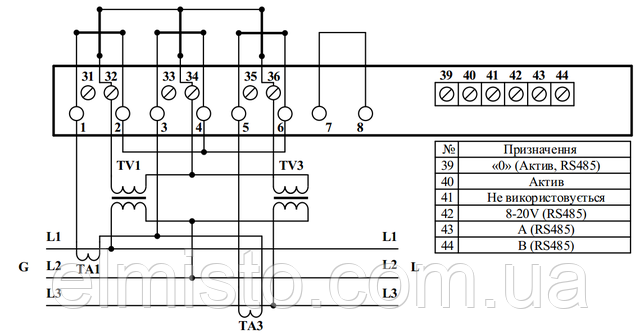
Стандартна схема під'єднання лічильника Torgrids 1020.10A/3T+:

Купити трансформаторний електророзчисник Torgrids 1020.10A/3T+ 5-10А в Україні: Чорнигів, Харків, Вінниця, Жмеринка, Ладижин, Ахтирка, Ромни, Казатин, Мегілево-Подольський, Суми, Конотоп, Глухів, Київ, Нежин, Прилуки, Лубни, Міргола — інтернет-магазин «ЕлМісто».
Словні зображення символів на РК-дисплеї електророзрахунків Torgrids 1020.10A/3T+:

Цей товар також шукають як трифазний лічильник електроенергії Torgrids 1020.10A/3T+ 5-10А трансформаторного ввімкнення, купити 3-фазний лічильник Torgrids 1020.10A/3T+ 5-10А в Кременчузі, електрообчисник активно-реактивної енергії Torgrids 1020.10A/3T+ 5-10А, ціна однотарифного лічильника Torgrids 1020.10A/3T+ у Шостці, вартість нетарифного лічильника Torgrids 1020.10A/3T+ 5-10А в Полтаве, лічильник електричної енергії електронний трифазний Torgrids 1020.10A/3T+.
Система позначення модифікацій лічильників Torgrids:

Внимание! Всі товари, представлені в магазині ЕлМісто, сертифіковані в Україні, проходять технічну перевірку на працездатність і забезпечуються гарантійним і післягарантійним обслуговуванням згідно активна редакція Закону України «Про захист прав споживачів». З моменту купівлі в нас товару ми надаємо всебічну технічну, інформаційну та сервісну підтримку.
Доставка товару виробляється у всі міста України транспортними компаніями.
ЕлМісто — найвигідніший інтернет-магазин електрообладнання за низькою ціною.
Замовляйте електрочисник Torgrids 1020.10A/3T+ 5-10А за вигідною ціною в Харкові.
Доставка здійснюється в міста:
Борисполь, Александрія, Алчевськ, Артемівськ, Ахтирка, Біла Церква, Белгородо-Днестрівський, Бердічев, Бердянськ, Боярка, Бровари, Волошівка, Винниця, Вишневе, Володимир-Волинський, Знесенеск, Геніческ, Глобино, Глуховів, Горловка, Кам'яне, Дніпро, Днітрорубний, Дрогозвичай, Дружківка, Дубно, Дунаївці, Єнаківо, Жовті Води, Жиромир, Запорожка, Знаменка, Золотоноша, Івано-Франковськ,равл,равл, Родзинки, Чорноморськ, Калуш, Камінець-Подольський, Камінка-Дніщовська, Карлівка, Кахівка, Київ, Кропивницький, Ковіль, Колом'я, Горішні Плавні, Конотоп, Костонь, Коростонь, Поздовжньск, Краматорск, Покрівка, Червоноград, Червоноперекопск, Кременчуг, Кривой Рог, Кролевець, Кузнєцовськ, Лисичанська, Лозова, Лубня, Луцк, Львів, Макеївка, Марганець, Маріуполь, Мелітополь, Мена, Міргород, силілев — Підольський, Мірноград, Мукачево, надворна, Нежин, Ніколаєв, Нікополь, Нова кахівка, Новаолінськ, Новаград-Волинський, Обухів, Одеса, Павлоград, Першимайск, Пологи, Полтава, Пір'ятин, Прилуки, Рава-Русська, Роздільна, Рівно-, Ромени, Свердлівська, Световодськ, Північнодонецьк, Славута, Слов'янськ, Сновська, Стаханів, Сторожинець, Стрий, Суми, Тернополь, Токмак, Торіз, Ужромен, Умань, Фастов, Харцизск, Харків, Харків, Херсон, Хмельницький, Хуст, Червоноград, Черкаси, Чернігів, Чорниці, Енергодар, південноукраїнськ.
Ви можете подивитися технічні характеристики 3 фазного електрообчисника Torgrids 1020.10A/3T+ перед оформленням замовлення. Також на сайті представлений опис і фото трифазного лічильника Torgrids 1020.10A/3T+ A+, R+.
Якщо Ви бажаєте купити 3-фазичний електрочисник трансформаторного під'єднання Torgrids 1020.10A/3T+ 5-10А або задати питання про товар, то Ви можете зателефонувати нам телефонами: (057) 712-03-91, (097) 319-09-29, (050) 788-388-6, написати на email: info@elmisto.com.ua
| Основні | |
|---|---|
| Мінімальна робоча температура | -40 °С |
| Стан | Новий |
| Висота | 230 мм |
| Тип підключення | Трансформаторне |
| Номінальний струм | 5 А |
| Країна виробник | Україна |
| Ширина | 68 мм |
| Максимальна робоча температура | 70 °С |
| Номінальна напруга | 220 В |
| Кількість тарифів | 1 |
| Тип індикатора | РКІ |
| Гарантійний термін | 60 міс |
| Кількість фаз | 3 |
| Максимальний струм | 10 А |
| Вага | 2 кг |
| Довжина | 180 мм |
- Ціна: 3 050 ₴
- Можливості поставок: 100 шт./день





